[46+] Yamaha Aerox, Schaltplan Yamaha Aerox
Schaltplan Yamaha Aerox Schaltplan V50 Bremslicht Lichtschalter Schaltplane Vbb Allstate Schaltpläne
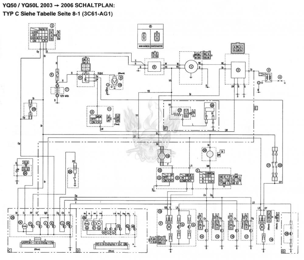
If you are {looking for|searching about} Yamaha Aerox Kabelbaum Schaltplan - Wiring Diagram you've {came|visit} to the right {place|web|page}. We have 13 {Pics|Pictures|Images} about Yamaha Aerox Kabelbaum Schaltplan - Wiring Diagram like Schaltplan Yamaha Aerox, Yamaha Aerox Kabelbaum Schaltplan - Wiring Diagram and also [View 19+] Elektrisch Schema Yamaha Aerox. {Read more|Here you go|Here it is}:





Comments
Post a Comment